Nous sommes le 29 Avr 2026 22:41

Heures au format UTC [ Heure d’été ]




Poster un nouveau sujet Répondre au sujet  [ 158 messages ]  Aller à la page Précédente  1, 2, 3, 4, 5 ... 11  Suivante
Auteur Message
 Sujet du message: Re: Branchement klaxon bubu
MessagePosté: 28 Avr 2015 20:22 
Hors ligne
Avatar de l’utilisateur

Inscription: 09 Nov 2003 01:00
Messages: 2017
Localisation: 07
Je regarderai sur le boitier mais il me semble qu'il y a rien d'écrit dessus :dubi:
Mais c'est le même que celui la:
Mi Do Mi de marque carrier en 24V


Fichiers joints:
midomi.png
midomi.png [ 926.07 Kio | Vu 3384 fois ]
Haut
 Profil  
 
 Sujet du message: Re: Branchement klaxon bubu
MessagePosté: 28 Avr 2015 21:24 
Hors ligne
Avatar de l’utilisateur

Inscription: 11 Juin 2008 01:10
Messages: 7315
Localisation: isere
bens a écrit:
Il y aurait il une âme charitable pour m'indiquer comment brancher le pin-pon de ma bubu?


https://www.youtube.com/watch?v=sqBLWoWT5Is


Haut
 Profil  
 
 Sujet du message: Re: Branchement klaxon bubu
MessagePosté: 28 Avr 2015 21:57 
Hors ligne
Avatar de l’utilisateur

Inscription: 24 Mar 2013 18:37
Messages: 16962
Localisation: Dans le midi
:D :D

_________________
R2087 torpédo de 1957


Haut
 Profil  
 
 Sujet du message: Re: Branchement klaxon bubu
MessagePosté: 30 Avr 2015 14:20 
Hors ligne
Avatar de l’utilisateur

Inscription: 09 Nov 2003 01:00
Messages: 2017
Localisation: 07
:D Voila c'est un peu ça j'ai toujours des soucis de fils rouge mais sans le bouton rouge :wink:

Forstenried a écrit:
Je regarderai cela lors de ma prochaine sortie en Goulette.
Guillaume G a écrit:
J'ai rebrancher le mien en suivant tout simplement le faisceau, si les couleurs des cosses sont d'origine, ça passe tranquille. je vais faire des recherches pour toi....le générateur de pin-pon fonctionne, la sirène est HS pour ma part.


Si à l'occaz vous pouvez faire péter un coup de voltmètre ou jeter un œil savoir comment c'est branché depuis l'alim, interrupteur etc... :pouce:


Haut
 Profil  
 
 Sujet du message: Re: Branchement klaxon bubu
MessagePosté: 30 Avr 2015 14:50 
Hors ligne
Avatar de l’utilisateur

Inscription: 07 Juin 2013 22:43
Messages: 29180
Localisation: Bavière-Allemagne
Bien sûr. De plus que le mien ne marche pas terrible. L'interrupteur tourne, ca fait au début un vague ''pin!'' asmathique et puis basta. Une fois ca a fait un ''pon'' mais du genre ''adieu monde cruel''. :D
Il faut que je regarde les contacts alors du coup on va tout passer à la sonnette.

_________________
Ambulance de 1964 - Faut que ca tourne!!!
Image


Haut
 Profil  
 
 Sujet du message: Re: Branchement klaxon bubu
MessagePosté: 30 Avr 2015 15:53 
Hors ligne
Avatar de l’utilisateur

Inscription: 16 Juil 2006 18:08
Messages: 62520
Localisation: Jura
Forstenried a écrit:
Une fois ca a fait un ''pon'' mais du genre ''adieu monde cruel''.


C'est le référentiel pondissant ...

_________________
Claude Girod


"Ils sont complètement cinglés mais j'adore !!!" (Pierre 62)


Haut
 Profil  
 
 Sujet du message: Re: Branchement klaxon bubu
MessagePosté: 30 Avr 2015 16:10 
Hors ligne
Avatar de l’utilisateur

Inscription: 24 Mar 2013 18:37
Messages: 16962
Localisation: Dans le midi
:D :D

_________________
R2087 torpédo de 1957


Haut
 Profil  
 
 Sujet du message: Re: Branchement klaxon bubu
MessagePosté: 30 Avr 2015 16:32 
Hors ligne
Avatar de l’utilisateur

Inscription: 07 Juin 2013 22:43
Messages: 29180
Localisation: Bavière-Allemagne
:D :D
Ou pindissant (au choix)

_________________
Ambulance de 1964 - Faut que ca tourne!!!
Image


Haut
 Profil  
 
 Sujet du message: Re: Branchement klaxon bubu
MessagePosté: 30 Avr 2015 16:42 
Hors ligne
Avatar de l’utilisateur

Inscription: 08 Fév 2009 14:37
Messages: 12435
Localisation: Seine St Denis
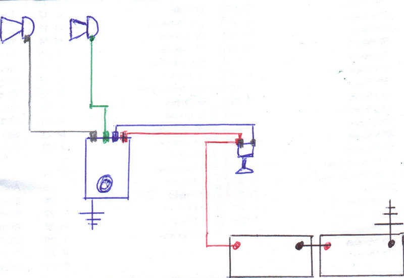
Je n'étais pas dans le 9.3 cette semaine, j'étais dans le 6.2 . Je viens de chercher en rentrant. Voilà le petite schéma que j'avais fait pour brancher le distributeur que j'avais récupéré pour mettre sur la mienne: :wink:


Fichiers joints:
153.JPG
153.JPG [ 122.87 Kio | Vu 3341 fois ]
Haut
 Profil  
 
 Sujet du message: Re: Branchement klaxon bubu
MessagePosté: 30 Avr 2015 16:44 
Hors ligne
Avatar de l’utilisateur

Inscription: 07 Juin 2013 22:43
Messages: 29180
Localisation: Bavière-Allemagne
:pouce:
Lequel est ''Pin'' et lequel est ''Pon''? :D

_________________
Ambulance de 1964 - Faut que ca tourne!!!
Image


Haut
 Profil  
 
 Sujet du message: Re: Branchement klaxon bubu
MessagePosté: 30 Avr 2015 16:53 
Hors ligne
Avatar de l’utilisateur

Inscription: 16 Juil 2006 18:08
Messages: 62520
Localisation: Jura
Pon, pin va falloir attendre la rébonse !

_________________
Claude Girod


"Ils sont complètement cinglés mais j'adore !!!" (Pierre 62)


Haut
 Profil  
 
 Sujet du message: Re: Branchement klaxon bubu
MessagePosté: 30 Avr 2015 17:19 
Hors ligne
Avatar de l’utilisateur

Inscription: 08 Fév 2009 14:37
Messages: 12435
Localisation: Seine St Denis
Çà ne fait pas Pin Pon, çà fait Pin Pon Pin, ou Pon Pin Pon, je n'ai jamais su !!! ... :D :-D :wink:


Haut
 Profil  
 
 Sujet du message: Re: Branchement klaxon bubu
MessagePosté: 30 Avr 2015 18:25 
Hors ligne
Avatar de l’utilisateur

Inscription: 09 Nov 2003 01:00
Messages: 2017
Localisation: 07
PIERRE 62 a écrit:
Je n'étais pas dans le 9.3 cette semaine, j'étais dans le 6.2 . Je viens de chercher en rentrant. Voilà le petite schéma que j'avais fait pour brancher le distributeur que j'avais récupéré pour mettre sur la mienne: :wink:


Alors ça c'est vraiment gentil!!. Milles merci Pierre :pouce: :pouce:
Donc il y aurait un + permanent sur le distributeur. Mais alors pourquoi un + permanent???
Il m'avait semblait qu'il y avait 2 + mais j'étais pas sûr et j'avais peur de tout cramer.
Génial avec le férié ça surement pinponner ce weekend :wink: :wink:


Haut
 Profil  
 
 Sujet du message: Re: Branchement klaxon bubu
MessagePosté: 30 Avr 2015 18:32 
Hors ligne
Avatar de l’utilisateur

Inscription: 07 Juin 2013 22:43
Messages: 29180
Localisation: Bavière-Allemagne
PIERRE 62 a écrit:
Çà ne fait pas Pin Pon, çà fait Pin Pon Pin, ou Pon Pin Pon, je n'ai jamais su !!! ... :D :-D :wink:


Sans hésiter: Pin Pon Pin :wink: :D

_________________
Ambulance de 1964 - Faut que ca tourne!!!
Image


Haut
 Profil  
 
 Sujet du message: Re: Branchement klaxon bubu
MessagePosté: 30 Avr 2015 18:43 
Hors ligne
Avatar de l’utilisateur

Inscription: 08 Fév 2009 14:37
Messages: 12435
Localisation: Seine St Denis
bens a écrit:
PIERRE 62 a écrit:
Je n'étais pas dans le 9.3 cette semaine, j'étais dans le 6.2 . Je viens de chercher en rentrant. Voilà le petite schéma que j'avais fait pour brancher le distributeur que j'avais récupéré pour mettre sur la mienne: :wink:


Alors ça c'est vraiment gentil!!. Milles merci Pierre :pouce: :pouce:
Donc il y aurait un + permanent sur le distributeur. Mais alors pourquoi un + permanent???
Il m'avait semblait qu'il y avait 2 + mais j'étais pas sûr et j'avais peur de tout cramer.
Génial avec le férié ça surement pinponner ce weekend :wink: :wink:


En effet le branchement est un peu déroutant, le système est plus élaboré que je pensais. Vérifies que les fils qui sont sur ton véhicule soient bien à leur place! :roll:


Fichiers joints:
166.JPG
166.JPG [ 840.56 Kio | Vu 3325 fois ]
Haut
 Profil  
 
Afficher les messages postés depuis:  Trier par  
Poster un nouveau sujet Répondre au sujet  [ 158 messages ]  Aller à la page Précédente  1, 2, 3, 4, 5 ... 11  Suivante

Heures au format UTC [ Heure d’été ]


Qui est en ligne

Utilisateurs parcourant ce forum: Aucun utilisateur enregistré et 7 invités


Vous ne pouvez pas poster de nouveaux sujets
Vous ne pouvez pas répondre aux sujets
Vous ne pouvez pas éditer vos messages
Vous ne pouvez pas supprimer vos messages
Vous ne pouvez pas joindre des fichiers

Rechercher:
Développé par phpBB® Forum Software © phpBB Group
Traduction par phpBB-fr.com