Nous sommes le 30 Avr 2026 15:29

Heures au format UTC [ Heure d’été ]




Poster un nouveau sujet Répondre au sujet  [ 34 messages ]  Aller à la page Précédente  1, 2, 3  Suivante
Auteur Message
 Sujet du message: Re: Schémas électriques
MessagePosté: 15 Avr 2020 08:59 
Hors ligne
Avatar de l’utilisateur

Inscription: 08 Juin 2016 21:33
Messages: 249
Asturiano a écrit:
Devrait être inclus dans le schéma, il serait plus facile de comprendre chaque couleur, chaque section.
D'un autre côté, mon véhicule est une ambulance militaire 24v.
Cela correspond à la version militaire, non?
Merci


Il s'agit du schémat pour les torpédo, pour les ambulance il est un peu diférent, mais les sections des câbles sont identique, de plus les sections calculées sont calculées à partit des section 12v, donc compatible pour le 24V. Mais pas pour le 6v, car les sections sont trop petites.

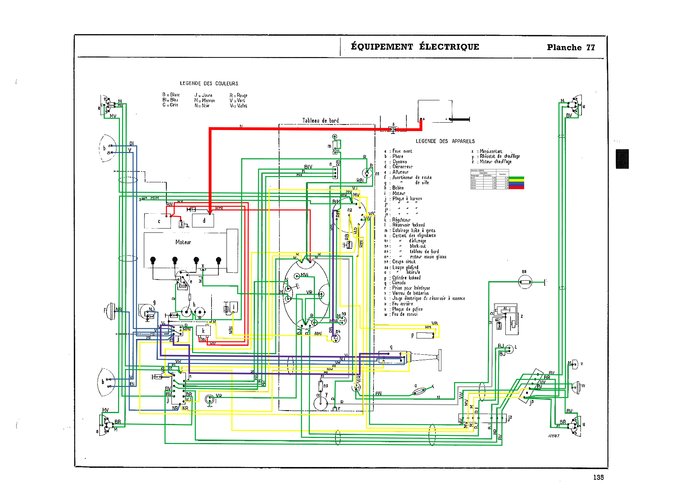
Voir ci-dessous le schéma de cablage d'une ambulance (issu du MAT3388-1) qui comporte des diférences, car présence de lanterne pour le caisse et d'un chauffage. Mais la grosse partie est la même.

Fichier(s) joint(s):
MAT3388-1-Equipement electrique ambu.jpg
MAT3388-1-Equipement electrique ambu.jpg [ 1.05 Mio | Vu 3894 fois ]

_________________
R2087N Torpédo 1963 http://www.r2087.com/forum/viewtopic.php?f=7&t=7049
R2087N Ambulance 1959 http://www.r2087.com/forum/viewtopic.php?f=7&t=7255


Haut
 Profil  
 
 Sujet du message: Re: Schémas électriques
MessagePosté: 15 Avr 2020 11:51 
Hors ligne
Avatar de l’utilisateur

Inscription: 10 Sep 2019 18:28
Messages: 998
Localisation: Asturias, España
Je vois ça un peu compliqué de cette façon, j'ai aussi l'inconvénient de la langue.
Je pense qu'il vaut mieux prendre les mesures des anciens câbles eux-mêmes

_________________
https://www.instagram.com/toxo.delnorte/


Haut
 Profil  
 
 Sujet du message: Re: Schémas électriques
MessagePosté: 15 Avr 2020 15:56 
Hors ligne
Avatar de l’utilisateur

Inscription: 08 Juin 2016 21:33
Messages: 249
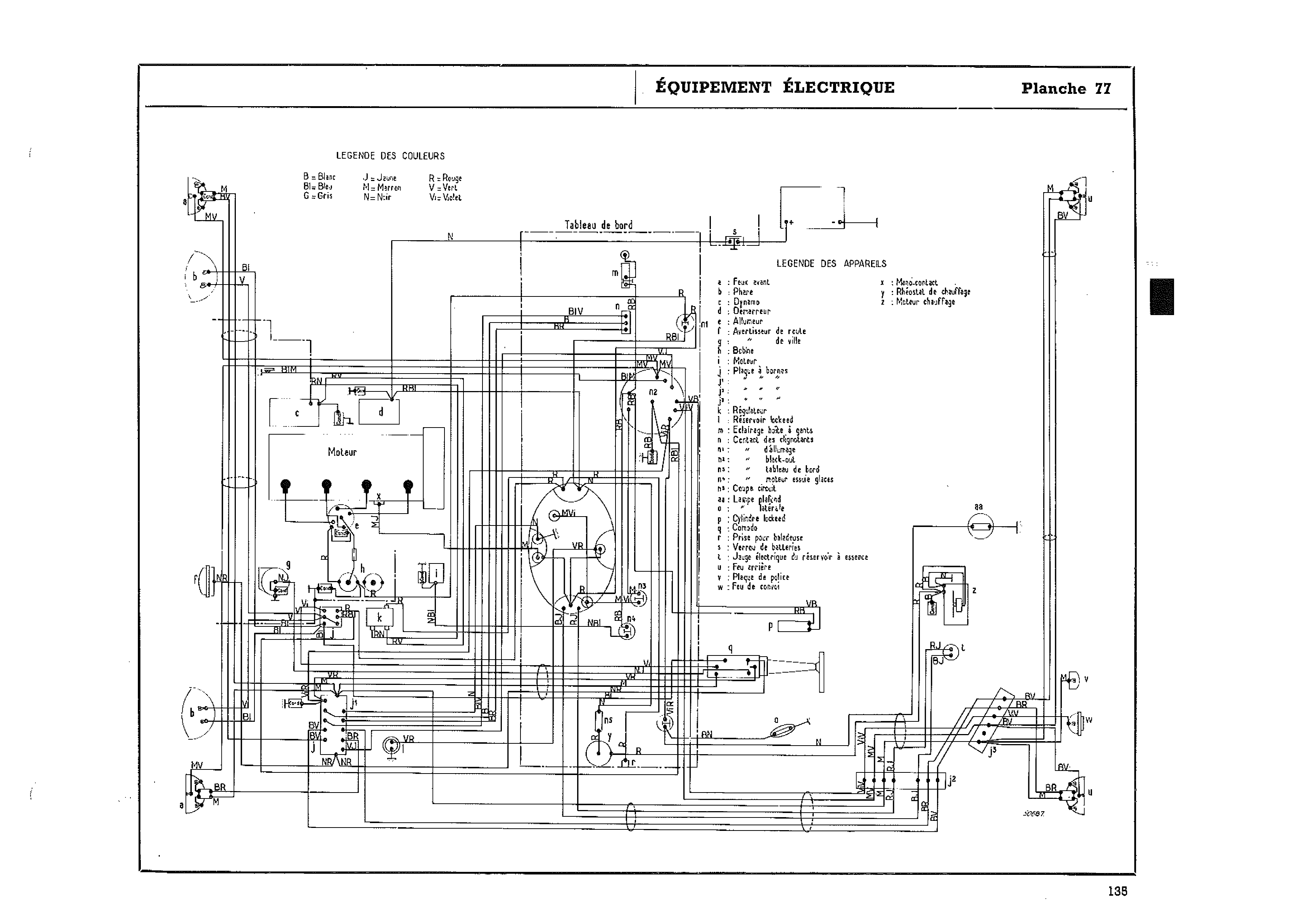
Si cela peu t'aider, voila le schéma électrique colorisé en fonction de la section des câbles.
Le câble gris est comme ça car je ne connais pas la section du câble. Il s'agit du câblage du chauffage.

Fichier(s) joint(s):
MAT3388-1-Equipement electrique ambu - avec section.jpg
MAT3388-1-Equipement electrique ambu - avec section.jpg [ 1.57 Mio | Vu 3875 fois ]

_________________
R2087N Torpédo 1963 http://www.r2087.com/forum/viewtopic.php?f=7&t=7049
R2087N Ambulance 1959 http://www.r2087.com/forum/viewtopic.php?f=7&t=7255


Haut
 Profil  
 
 Sujet du message: Re: Schémas électriques
MessagePosté: 15 Avr 2020 17:32 
Hors ligne
Avatar de l’utilisateur

Inscription: 16 Juil 2006 18:08
Messages: 62520
Localisation: Jura
Ca a son charme la version colorisée !

_________________
Claude Girod


"Ils sont complètement cinglés mais j'adore !!!" (Pierre 62)


Haut
 Profil  
 
 Sujet du message: Re: Schémas électriques
MessagePosté: 15 Avr 2020 17:36 
Hors ligne
Avatar de l’utilisateur

Inscription: 10 Sep 2019 18:28
Messages: 998
Localisation: Asturias, España
Merci wala09
Vous simplifiez tout.... :love: :love:
Une question, Qu'est-ce que le maquage?

_________________
https://www.instagram.com/toxo.delnorte/


Haut
 Profil  
 
 Sujet du message: Re: Schémas électriques
MessagePosté: 15 Avr 2020 18:33 
Hors ligne
Avatar de l’utilisateur

Inscription: 08 Juin 2016 21:33
Messages: 249
Asturiano a écrit:
Merci wala09
Vous simplifiez tout.... :love: :love:
Une question, Qu'est-ce que le maquage?


Je ne comprend pas la question, vous l'avez vu où ''le maquage''?

_________________
R2087N Torpédo 1963 http://www.r2087.com/forum/viewtopic.php?f=7&t=7049
R2087N Ambulance 1959 http://www.r2087.com/forum/viewtopic.php?f=7&t=7255


Haut
 Profil  
 
 Sujet du message: Re: Schémas électriques
MessagePosté: 15 Avr 2020 18:39 
Hors ligne
Avatar de l’utilisateur

Inscription: 10 Sep 2019 18:28
Messages: 998
Localisation: Asturias, España
Je l'ai vu ici....
Pourriez-vous vraiment m'expliquer comment rechercher ces câbles pour les acheter?


Fichiers joints:
Screenshot_20200415_193604.jpg
Screenshot_20200415_193604.jpg [ 50.17 Kio | Vu 3856 fois ]

_________________
https://www.instagram.com/toxo.delnorte/
Haut
 Profil  
 
 Sujet du message: Re: Schémas électriques
MessagePosté: 15 Avr 2020 20:08 
Hors ligne
Avatar de l’utilisateur

Inscription: 08 Juin 2016 21:33
Messages: 249
Il faut lir marquage en non maquage. Erreur de frape. Le plus important c'est la dernière colonne que corespond à la dernière norme, les section son en mm².

Ci-joint je vous envoi une trduction en espagnol fait a laide de mes souvenir et surtout de divers traducteur, si cela peu vous aider.
Fichier(s) joint(s):
Electricitré R2087 torpédo ES.pdf [31.42 Kio]
Téléchargé 148 fois



Voilà les liens du matériel que j'ai pris pour refaire le cablage :

Cable pour l'automobile norme FLRY-B
https://www.conrad.fr/p/cable-pour-lautomobile-flry-b-conrad-components-605889-1-x-4-mm-noir-5-m-605889

Gaine tressée noir
https://www.conrad.fr/p/gaine-tressee-noir-pet-15-a-27-mm-conrad-components-1243887-cbbox1527-bk-10-m-1243887

Gaine thermorétractable avec colle (cela tien mieu)
https://www.conrad.fr/p/gaine-thermoretractable-avec-colle-31-dsg-canusa-8620090956-noir-interieur-nominal-avant-reduction-9-mm-3-m-520619

Voilà.

_________________
R2087N Torpédo 1963 http://www.r2087.com/forum/viewtopic.php?f=7&t=7049
R2087N Ambulance 1959 http://www.r2087.com/forum/viewtopic.php?f=7&t=7255


Haut
 Profil  
 
 Sujet du message: Re: Schémas électriques
MessagePosté: 15 Avr 2020 20:37 
Hors ligne
Avatar de l’utilisateur

Inscription: 17 Oct 2005 21:40
Messages: 25253
Localisation: Liège - BELGIQUE
très sympa ça :pouce:

_________________
En Belgique, on n’a peut-être pas beaucoup de champions du monde,
mais dans le monde, ils n’ont pas autant de champions de Belgique que chez nous.
P.Geluck
La Belgique c'est compliqué : https://www.youtube.com/watch?v=iSonxAk71UI


Haut
 Profil  
 
 Sujet du message: Re: Schémas électriques
MessagePosté: 15 Avr 2020 21:03 
Hors ligne
Avatar de l’utilisateur

Inscription: 10 Sep 2019 18:28
Messages: 998
Localisation: Asturias, España
Merci beaucoup mon ami wala09 c'est très utile, ça m'aide beaucoup :pouce:

_________________
https://www.instagram.com/toxo.delnorte/


Haut
 Profil  
 
 Sujet du message: Re: Schémas électriques
MessagePosté: 16 Avr 2020 04:12 
Hors ligne
Avatar de l’utilisateur

Inscription: 16 Juil 2006 18:08
Messages: 62520
Localisation: Jura
:pouce: :pouce:

_________________
Claude Girod


"Ils sont complètement cinglés mais j'adore !!!" (Pierre 62)


Haut
 Profil  
 
 Sujet du message: Re: Schémas électriques
MessagePosté: 16 Avr 2020 08:49 
Hors ligne
Avatar de l’utilisateur

Inscription: 22 Oct 2017 04:14
Messages: 24888
Localisation: En Seine et Marne ou dans la Somme ou l'inverse
Il va finir par être le premier invité dans les Asturies !...

_________________
R2087N torpédo en ballade, le R2086 en cours de restauration, une ambu 4x4 et une 2CV4 !!!
Instagram: r2087_cie


Haut
 Profil  
 
 Sujet du message: Re: Schémas électriques
MessagePosté: 16 Avr 2020 12:37 
Hors ligne
Avatar de l’utilisateur

Inscription: 08 Juin 2016 21:33
Messages: 249
Viva españa !!
[Youtube]https://www.youtube.com/watch?v=MoAJ_1NnFoA[/Youtube]

Et puis Les asturies Briançon, avec une escale dans les Pyrénnes Ariègeoise ça peu se faire. :dubi:

_________________
R2087N Torpédo 1963 http://www.r2087.com/forum/viewtopic.php?f=7&t=7049
R2087N Ambulance 1959 http://www.r2087.com/forum/viewtopic.php?f=7&t=7255


Haut
 Profil  
 
 Sujet du message: Re: Schémas électriques
MessagePosté: 16 Avr 2020 13:03 
Hors ligne
Avatar de l’utilisateur

Inscription: 16 Sep 2012 21:24
Messages: 7770
Localisation: Allier

_________________
https://www.youtube.com/user/matanzaka/videos


Haut
 Profil  
 
 Sujet du message: Re: Schémas électriques
MessagePosté: 16 Avr 2020 13:41 
Hors ligne

Inscription: 22 Aoû 2015 09:13
Messages: 9505
Ah la la, Georgette Plana... toute une époque.
Pour ceusses qui aiment le rrrugby:

Elle avait fait aussi une chanson sur les gars de l’ASB de la grande époque, mais je ne l’a trouve pas.
Guillaume.


Haut
 Profil  
 
Afficher les messages postés depuis:  Trier par  
Poster un nouveau sujet Répondre au sujet  [ 34 messages ]  Aller à la page Précédente  1, 2, 3  Suivante

Heures au format UTC [ Heure d’été ]


Qui est en ligne

Utilisateurs parcourant ce forum: Aucun utilisateur enregistré et 2 invités


Vous ne pouvez pas poster de nouveaux sujets
Vous ne pouvez pas répondre aux sujets
Vous ne pouvez pas éditer vos messages
Vous ne pouvez pas supprimer vos messages
Vous ne pouvez pas joindre des fichiers

Rechercher:
cron
Développé par phpBB® Forum Software © phpBB Group
Traduction par phpBB-fr.com